當前位置:首頁 --> 產品介紹
產品樣圖:

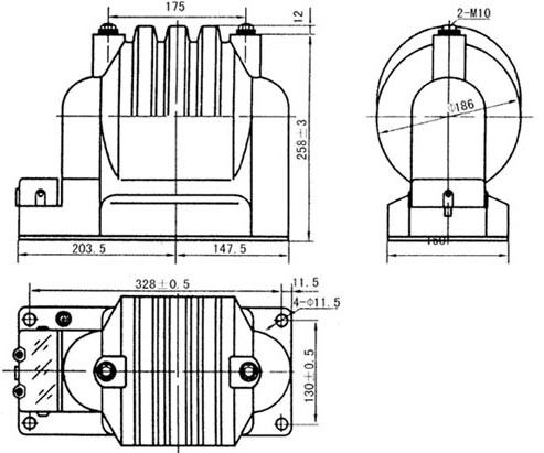
JDZ9-3,6,10/JDZX9-3G,6G,10G型電壓互感器
技術參數:
產品符合標準GB1207和IEC186
型號 |
額定頻率Hz |
額定電壓比V |
準確級或準確級組合 |
額定輸出VA |
極限輸出VA |
額定絕緣水平KV |
備注 |
JDZ9-3 |
50.60 |
3000/100 |
0.2 |
40 |
500 |
3.6/25/40 |
同VKV |
0.5 |
100 |
1 |
200 |
3 |
240 |
JDZ9-6 |
50.60 |
6000/100 |
0.2 |
40 |
500 |
7.2/32/60 |
同VKV |
0.5 |
100 |
1 |
200 |
3 |
240 |
JDZ9-10 |
50.60 |
10000/100 |
0.2 |
40 |
500 |
12/42/75 |
同VKV |
0.5 |
100 |
1 |
200 |
3 |
240 |
JDZX9-3G |
50.60 |
3000/√3/100/√3/100/3 |
0.5/6P |
60/100 |
400 |
3.6/25/40 |
|
JDZX9-6G |
6000/√3/100/√3/100/3 |
7.2/32/60 |
|
JDZX9-10G |
10000/√3/100/√3/100/3 |
12/42/75 |
|
注:●用戶如有特殊要求,可與我廠協商后確定。
●額定輸出及其相應的準確僅符合其中一項。
外形圖:

|